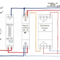
Schema aansluiting boiler na tijdschakelaar
Ik wens een tijdschakelaar op de boiler aan te sluiten zodat deze kan worden ingeschakeld tijdens de uren waar nachttarief geldt. In de zekeringkast kan er geen enkele module nog bij. Bovendien wens ik ook een verbruiksmeter te koppelen.
Het is mijn bedoeling om een extra (kleine) zekeringkast te plaatsen in de nabijheid van de boiler.
Vanuit de (hoofd)zekeringkast is vanaf een 20A automaat een kabel getrokken naar de boiler. Ik heb volgend schema opgesteld daarvoor.
De bijkomende automaat dient als bescherming tegen te hoge stroom naar de tijdschakelaar (max. 16A).
De magneetschakelaar (20A) staat NO (normally open).
De aansluiting van de Watt-meter is afgeleid uit de handleiding van dit apparaat (zie bijkomend schema).
Vraag is dus of het schema correct is, specifiek stel ik mij de vraag of de N van de Watt-meter na de magneetschakelaar of toch ervoor mag worden aangekoppeld.
Alle bedenkingen zijn verder welkom. Dank alvast.





