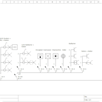
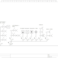
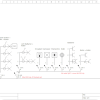
schema
Alle reacties
Ik heb opmerkingen in het rood toegevoegd.
bedankt voor reactie
de schakelraar die je noemd is voor stopcontacten apart te kunnen uit zetten
voor de diff had ik niet goed na gezien da nummer is inderdaad 63A
den boiler ga ik 3G4 nemen
ik heb gelezen op de arei dan 40 automaat ook mag zijn voor vornuis
Er staat geen enkele aanduiding bij de kringen welke bedrading er is gebruikt met welke doorsnede en plaatsing wijze.
Er staat geen enkele aanduiding bij de kringen welke bedrading er is gebruikt met welke doorsnede en plaatsing wijze.
dat weet ik moet ik nog invullen dit is en tijdelijke schema om te zien of de rest al goed is :)
Door deze ontbrekende informatie is het niet mogelijk de juiste afzekering te controleren.
Nummering kringen is niet echt logisch. Wat is element M in kringen Q en R is rechtstreeks aangesloten. UTP stopcontacten moeten niet op het schema.
Om even terug te komen op de vraag over de schakelaar voor de stopcontacten deze moet 2-polig zijn(zoals afgebeeld op het schema) maar 16A uitvoering.Dus geen normale 2-polige schakelaar voor verlichting.
Om even terug te komen op de vraag over de schakelaar voor de stopcontacten deze moet 2-polig zijn(zoals afgebeeld op het schema) maar 16A uitvoering.Dus geen normale 2-polige schakelaar voor verlichting.
ik heb nu de gewonen op staan en dat geeft geen problemen is dat verplcht die 16A wat kan er gebeuren?
Stopcontacten worden afgezekerd met 16A of 20A. Je kan in deze stopcontacten toestellen aansluiten tot een vermogen van 3680W /4600W. De contacten in de gewone schakelaar zijn niet berekend op dit vermogen. Als de man van de keuring dit opmerkt heb je een negatief keuringsverslag.
Stopcontacten worden afgezekerd met 16A of 20A. Je kan in deze stopcontacten toestellen aansluiten tot een vermogen van 3680W /4600W. De contacten in de gewone schakelaar zijn niet berekend op dit vermogen. Als de man van de keuring dit opmerkt heb je een negatief keuringsverslag.
ok bedankt voor de info :) zal het dan maar veranderend he :)

Thuisbatterij laten plaatsen? Vergelijk gratis offertes!
Laat een thuisbatterij installeren en gebruik optimaal je zonne-energie. Ontvang gratis en vrijblijvende offertes van vakmensen.
Vraag gratis offertes aan voor jouw bouw- of renovatieproject
Vraag snel en eenvoudig offertes aan bij gespecialiseerde professionals bij jou in de buurt.

Download onze gratis zonnepanelengids
Alles wat je moet weten over duurzame energie, kostenbesparing en installatie. Inclusief checklists voor maximale opbrengst!
Laat je e-mailadres achter en we houden je de hoogte van nieuwe antwoorden en reacties op deze vraag.
Lees ook

Wat zijn algemene elektriciteitswerken en wat mag je zelf doen?
Algemene elektriciteitswerken maken je woning veiliger en efficiënter. Ontdek wat je zelf kan doen en waarvoor je best een elektricien inschakelt.
Lees meer
Situatieschema elektriciteit: wat is het en waarom heb je het nodig?
Ontdek wat een situatieschema elektriciteit is, hoe je het zelf maakt, waarom het verplicht is en hoe het bijdraagt aan jouw elektrische installatie.
Lees meer
Thuisbatterij: werking, prijs, terugverdientijd en alle andere dingen die je moet weten
Met een batterij kan je overtollige zonnestroom stockeren. Maar hoe werkt het precies? Wat is de prijs? En is de investering voor jou wel interessant?
Lees meerOnze toolbox
Vraag vrijblijvend offertes aan! Ontvang snel max. 4 offertes van vakmannen. Bespaar tijd én geld!
AanvragenMet premies en subsidies kan je flink besparen. Kijk waar jij recht op hebt.
ZoekenMet deze praktische digitale gidsen ben je meteen geïnformeerd en heb je een handige checklist bij de hand.
Aanvragen



